全國服務熱線
400-875-1500
400-875-1500
銷售熱線:13720093566

掃一掃,添加銷售經理
電機保護用高壓熔斷器XRNP1-12KV/1A-50KA-1
庫存型號:XRNP1-12/6.3-50-1;XRNP1-12KV/0.5-50KA-2;XRNP1-12KV/1A-50KA-1;XRNP6-7.2KV/0.5-50KA-1
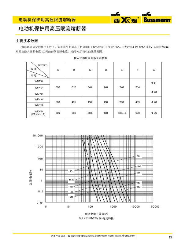
電壓:7.2(3.6)KV;12KV;40.5KV
電流:0.2-6.3A
應用:作為高壓電動機及其它電力設備過載或短路等的保護元件
分享至:
- 產品介紹
- 視頻中心
- 相關證書
- 樣品申請
- PDF下載









銷售熱線
















